Skip to content
+39 039 510526
|
info@gielletechnoplast.com
Toggle Navigation
Company
Services
Contact
Quotes
+39 039 510526
|
info@gielletechnoplast.com
Industrial furnishing accessories
Accessories for overhead doors
PVDF, Fittings and Semi-finished products
Search
Toggle Navigation
PRODUCTS
INDUSTRIAL FURNISHING ACCESSORIES
Adjustable feet
Articulated feet
Insoles
Non-tilting feet
Corner feet for shelving
Head cover
Finned tube tips
Hole cover
Hoses for pipes
Profiles
Lobes knobs
Knobs
Wing nut knobs
Knobs
Adjustable handles
Spheres
Bridge handles
Recessed handles
Knobs
Bushings
Washers, spacers, bumpers
Cable bushes
Suction cups
Crosscover
ABS connectors for square tube
Wheels
Various Articles
ACCESSORIES FOR OVERHEAD DOORS
Handles
Lock plates
pulleys
Rollers
Bumpers, Washers
PVDF, FITTINGS AND SEMI-FINISHED
PVDF fittings
PVDF valve
PVDF spare parts
PVDF pipes
PVDF semi-finished products
PVDF welding cord
SEARCH
COMPANY
SERVICES
CONTACT
QUOTES
Italiano
Home
Chemical industry
PVDF
PVDF fittings
700 – Antistatic PVDF plug
Categories:
Chemical industry
,
PVDF
,
PVDF fittings
Tags:
Chemical Industry
,
Chemical Plants
,
Plant maintenance
,
PVDF
,
Sockets
SKU:
Tappo-700
Ask for a quote
This product is already in the quote list
Go to the list of requests of quote
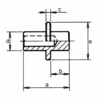
wdt_ID
Ø ext. Tube
a
b
c
d
e
Cod.
1
6
22
10
2
6
13,0
700629104
2
8
22
10
2
8
13,0
700629105
3
10
22
10
2
10
17,2
700629106
4
12
22
10
2
12
17,2
700629107
Ø ext. Tube
a
b
c
d
e
Cod.
Related products
700 – Middle antistatic PVDF fitting straight reduced
Details
700 – Welding cord in PVDF
Details
722 – Low head buffer in PE and PVC
Details
PVDF Taper ring -2
Details
Page load link
Go to Top